Flackern wenn Dimmer niedrig eingestellt
Moderator: T.Hoffmann
Hallo,
ich hoffe, mir kann emand einen Tip geben. Ich habe folgende Komponenten nach Vorschrift zusammengebaut.
Dimmer: http://www.leds.de/LED-Zubehoer/Steueru ... egler.html
Led: http://www.leds.de/High-Power-LEDs/Cree ... x12mm.html
Stromquelle: http://www.leds.de/LED-Zubehoer/Strom-u ... 400mA.html
Es sind 8 Led, die separat gedimmt werden. Klappt soweit ganz gut. Nur wenn ich ca. über die Hälfte runterdimme, flackern die Led.
An der Stromquelle kann es nicht liegen, habe verschiedene ausprobiert.
Danke für Rat, edgarM
ich hoffe, mir kann emand einen Tip geben. Ich habe folgende Komponenten nach Vorschrift zusammengebaut.
Dimmer: http://www.leds.de/LED-Zubehoer/Steueru ... egler.html
Led: http://www.leds.de/High-Power-LEDs/Cree ... x12mm.html
Stromquelle: http://www.leds.de/LED-Zubehoer/Strom-u ... 400mA.html
Es sind 8 Led, die separat gedimmt werden. Klappt soweit ganz gut. Nur wenn ich ca. über die Hälfte runterdimme, flackern die Led.
An der Stromquelle kann es nicht liegen, habe verschiedene ausprobiert.
Danke für Rat, edgarM
- Achim H
- Star-Admin

- Beiträge: 13067
- Registriert: Mi, 14.11.07, 02:14
- Wohnort: Herdecke (NRW)
- Kontaktdaten:
Willkommen im Forum.
Was wird als Spannungsquelle benutzt?
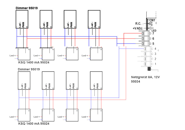
Wie sind die Leds verschaltet (Schaltbild)?
Nur als Hinweise:
Die KSQ liefert 1400mA, die Leds dürfen mit max. 1250mA betrieben werden.
Die KSQ darf mit einer Gleichspannung bis max. 35V betrieben werden.
Der PWM-Dimmer verträgt eine Gleichspannung bis max. 30V.
Was wird als Spannungsquelle benutzt?
Wie sind die Leds verschaltet (Schaltbild)?
Nur als Hinweise:
Die KSQ liefert 1400mA, die Leds dürfen mit max. 1250mA betrieben werden.
Die KSQ darf mit einer Gleichspannung bis max. 35V betrieben werden.
Der PWM-Dimmer verträgt eine Gleichspannung bis max. 30V.
- Achim H
- Star-Admin

- Beiträge: 13067
- Registriert: Mi, 14.11.07, 02:14
- Wohnort: Herdecke (NRW)
- Kontaktdaten:
Die Konstantstromquelle braucht ca. 2V für sich selbst, die Led benötigt @ 1250mA ca. 12,3V.
2V + 12,3V = 14,3V --> welche Spannung ist am Netzgerät eingestellt?
8 Leds + 8 KSQs + 8 Dimmer = 8 x 14,3V x 1,25A = mindestens 143 Watt --> Das Netzgerät kann nur max. 102 Watt liefern.
Der Überlastschutz springt im Bereich von 105% bis 150% an.
2V + 12,3V = 14,3V --> welche Spannung ist am Netzgerät eingestellt?
8 Leds + 8 KSQs + 8 Dimmer = 8 x 14,3V x 1,25A = mindestens 143 Watt --> Das Netzgerät kann nur max. 102 Watt liefern.
Der Überlastschutz springt im Bereich von 105% bis 150% an.
Ich probiere hier um, mit dem, was ich so habe. Bestes Ergebnis --> zwei LED lassen sich ohne Flackern dimmen.
Netzteil: 19V 4.74A
Jetzt suche ich das passende Netzgerät, oder viell. zwei davon für jeweils 4 LED. Ich muss ja auf die Wattzahl, 150 was kommen...
Hast du einen Tip?...ich suche schon
Netzteil: 19V 4.74A
Jetzt suche ich das passende Netzgerät, oder viell. zwei davon für jeweils 4 LED. Ich muss ja auf die Wattzahl, 150 was kommen...
Hast du einen Tip?...ich suche schon
Hallo,Achim H hat geschrieben:8 Leds + 8 KSQs + 8 Dimmer = 8 x 14,3V x 1,25A = mindestens 143 Watt --> Das Netzgerät kann nur max. 102 Watt liefern.
Der Überlastschutz springt im Bereich von 105% bis 150% an.
in dieser Konstellation stimmt deine Rechnung nicht ganz !
8 Leds + 8 KSQs + 8 Dimmer = 8 x 14,3V x 1,4A => 160,16W
Passt ...edgarM hat geschrieben:Was ist hiermit? Für 4 Led.
http://www.amazon.de/Ladeger%C3%A4t-Net ... A4t+15V+6A
Grüße
Tom
Mit dem eben getesteten - 19V / 4.74A - klappt dimmen ohne Flackern doch für 4 Led.
Noch eins davon will ich bestellen, hat die gleiche Leistung:
http://www.amazon.de/LSE0202C1990-PA351 ... -90sb+asus
Also zwei Netzteile...danke.
Noch eins davon will ich bestellen, hat die gleiche Leistung:
http://www.amazon.de/LSE0202C1990-PA351 ... -90sb+asus
Also zwei Netzteile...danke.
Widerstand bringt Garnichts, die KSQ würde nur die Spannung weiter erhöhen, bis die 1400mA erreicht werden!
Einzige Lösung :
Lumitronix anrufen und fragen auf welchen Wert der Stromeinstellwiderstand auf der KSQ geändert werden muss, um 1250mA zu erreichen, oder aber 1000mA KSQ kaufen...
Einzige Lösung :
Lumitronix anrufen und fragen auf welchen Wert der Stromeinstellwiderstand auf der KSQ geändert werden muss, um 1250mA zu erreichen, oder aber 1000mA KSQ kaufen...
Du weißt aber schon das PWM eine Art der Dimmung ist, bei der geschaltet wird?
Bedeutet : 1400mA - 0 mA -1400mA ...
Und LEDs sind auch nicht "träge", das Datenblatt sagt max. 1250mA für die LED , du betreibst also die LED außerhalb ihrer Spezifikationen vom Hersteller....
Und glaube mir, bloß weil der Kühlkörper nur handwarm wird, heißt das nicht, dass alles ok ist.
Wie hast du die LEDS auf den KK befestigt?
Wärmeleitpaste? oder wie?
Bist du sicher, dass die LEDs die Wärme gut auf den KK übertragen können??
Bedeutet : 1400mA - 0 mA -1400mA ...
Und LEDs sind auch nicht "träge", das Datenblatt sagt max. 1250mA für die LED , du betreibst also die LED außerhalb ihrer Spezifikationen vom Hersteller....
Und glaube mir, bloß weil der Kühlkörper nur handwarm wird, heißt das nicht, dass alles ok ist.
Wie hast du die LEDS auf den KK befestigt?
Wärmeleitpaste? oder wie?
Bist du sicher, dass die LEDs die Wärme gut auf den KK übertragen können??
Nein, ohne KSQ geht das nicht.
Wenn LEDs warm werden, sinkt die Vorwärtsspannung, was dann zu höherem Strom führen würde bei gleichbleibender Spannung.
Daraufhin würden die LEDs dann noch wärmer, ergo, irgendwann kaputt....
Wenn LEDs warm werden, sinkt die Vorwärtsspannung, was dann zu höherem Strom führen würde bei gleichbleibender Spannung.
Daraufhin würden die LEDs dann noch wärmer, ergo, irgendwann kaputt....


